>
>
>
>
◎>RDS(on)低至7mΩ派恩杰第四代SiCMOSFET产品实现技术突破>
>◎>南芯科技推出国内首颗全国产供应链垂直集成工艺高边开关>
>◎>宁德时代与三方共建租车行业换电生态,将引入超10万台换电车辆!>
> > > > >01.>
>
>RDS(on)低至7mΩ派恩杰第四代SiCMOSFET产品实现技术突破>
>
>
近日,>派恩杰半导体>正式发布基于第四代平面栅工艺的SiC MOSFET系列产品。该系列在750V电压平台下,5mm × 5mm芯片尺寸产品的导通电阻RDS(on)最低可达7mΩ,达到国际领先水平。相比上一代产品,第四代SiC MOSFET不仅进一步降低了导通电阻,还显著减少了开关损耗,并优化了开通/关断波形,从而实现更高的载流能力与系统效率。其核心竞争力——全新元胞尺寸缩小至3.5μm,在整体性能上实现跨越式提升。>
>>在实际应用测试中,派恩杰基于自有应用负载平台,对比第三代与第四代SiC MOSFET(750V平台,芯片尺寸5mm × 5mm)在550V直流母线电压、不同负载电流条件下的表现。结果显示:第四代器件的载流能力提高超过20%,开关损耗亦下降逾20%,性能提升显著。> >
>
>
>
02.>
>南芯科技推出国内首颗全国产供应链垂直集成工艺>高边开关>
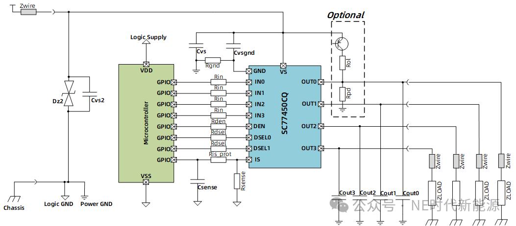
>近日,>南芯科技>正式发布第二代车规级高边开关 (HSD) >SC77450CQ>,基于国内自主研发的垂直沟道 BCD 集成工艺和全国产化封测供应链,在 N 型衬底单晶圆上实现了 MOS 与控制器的融合。>
>
>
>
SC77450CQ 打破了海外技术垄断,是国内首颗全国产供应链垂直集成工艺的高边开关产品。>
>>基于当前国内产业链的发展现状,南芯科技在>合封工艺>和集成工艺的双轨工艺演进路线上,投入大量资源同步演进,推出高性能的 HSD 家族产品系列。> >
>>垂直沟道 BCD 集成工艺是一种单片晶圆级技术,在同一 N 型硅衬底上制造双极性晶体管 (Bipolar)、CMOS、DEMOS、LDMOS、VDMOS。合封工艺则是在封装阶段把功率器件、控制 IC 通过平铺或堆叠方式装入同一封装体,用引线完成电气连接,芯片之间保持物理独立。> >
>>集成工艺具有共衬底、短互连的特点,特别适合高边开关产品,但技术长期被海外厂商垄断;合封工艺则可以针对 MOS 管和控制器分别采用当前国产最成熟的工艺制程,电压等级可延展性更强。下图展示了集成工艺和合封工艺的原理图及关键特征对比。> >
>
>
>
>工艺原理图及关键特征对比。左:集成工艺,右:合封工艺> >
>>南芯科技在车身控制领域投入已久。针对智能高边开关产品,南芯科技基于双轨工艺演进路线,目前已推出 30 余款不同封装形式的高性能产品,并设立专门的工艺团队,与国内晶圆厂深度合作,持续突破技术瓶颈,率先落地第二代集成工艺高边开关。第三代南芯自研 COT 工艺平台也已启动开发,通过自主掌控工艺开发,突破传统代工模式的限制,在车规级产品等高端市场建立竞争优势。此前,南芯科技还推出了国内首个量产的 eFuse SC77010Q。> >
>
>
>
>南芯科技高边开关产品家族> >
>>SC77450CQ 采用垂直 BCD 集成工艺平台设计,是一款四通道智能高边开关,导通电阻低至 50mΩ,可实现 4V-28V 宽压供电、40V 抛负载耐压及 0.5μA 待机电流。该产品可实现高精度电流检测,2A 时电流检测精度达 ±4%;采用带散热焊盘的 eSSOP-14 封装,引脚兼容国际竞品。> >
>
>
>
>SC77450CQ 引脚图> >
>>SC77450CQ 集成了完备的保护机制和精确的诊断功能,包括过流和对地短路自关断、相对过热保护和绝对过热保护、智能锁止功能、负电压钳位、关断状态开路和对电池短路检测、掉地与掉电保护、过压与欠压保护,可多路复用模拟信号输出,实时按比例反馈各通道负载电流。> >
>
>
>
>SC77450CQ 典型应用图> >
>>以下波形图展示了 SC77450CQ 在各种严苛工况条件下的卓越表现,包括:驱动卤素灯负载、驱动容性负载、感性负载关断、输出开通后短路、输出短路再开通等情况。> >
>
>
>
>卤素灯负载测试波形图(Vs=16V,芯片环温 105℃,5W 卤素灯保持 -40℃,一次开启)> >
>
>
>
>容性负载测试波形图(Vs=12V,Load=10μF//20Ω,Ta=25℃,600μs 电容充满)> >
>
>
>
>感性负载测试波形图(Vs=14V,idc=7A,Iload=0.5mH,Ta=25℃)> >
>
>
>
>输出开通后再短路测试波形(Vs=18V/0.5 米线,Vout 5 米线,Ta=25℃)> >
>
>
>
>输出短路再开通测试波形(Vs=20V/5 米线,Vout 0.5 米线,Ta=25℃)> >
>03.>
>宁德时代与三方共建租车行业换电生态,将引入超10万台换电车辆!>
>近日,宁德时代、时代电服、神州租车、招银金租在宁德市签署战略合作协议。四方开创性地将换电模式大规模引入租车行业,通过能源补给、资产运营、金融支持、用车服务的深度协同,提供可持续的补能解决方案,实现移动出行领域的全链生态共>建。>
>>神州租车将全面引入宁德时代巧克力换电车型,覆盖经济型、舒适型、商务型等多级别车型,适配A0至B级主流市场,今年将启动试点并逐步运营超10万台换电车辆。车型将搭载宁德时代巧克力20#、25#标准化换电块,续航达400-600公里,支持灵活补能,满足长短租、企业用车及网约车多元化需求。针对网约车场景,神州租车将规模化采购巧克力换电车型,重点投放一线及新一线城市,时代电服将协同搭建电池健康监测平台,实时保障电池安全与续航稳定性。> >
>
>
>
>在基础设施领域,将依托神州租车全国超2000个线下网点及停车场资源,联合构建覆盖核心交通枢纽的换电网络,实现租车客户“即还即换”的高效服务。此外,换电站将优先采用光伏绿电,并参与电网调峰调频,助力新型电力系统建设。数字化层面,神州租车App将集成换电站导航与结算功能,打造“租车-换电-归还”全流程闭环服务。> >
>>为降低租赁车辆成本、提高运营效率,招银金融租赁与时代电服将为神州租车自营车辆提供具有价格竞争力的电池租赁方案。四方还将成立专项工作组,联合车企在车辆采购、金融保险、二手车管理等环节优化成本,提升产品全生命周期竞争力,为用户提供更高效、更便捷的出行体验。> >
> >












沪公网安备31010702008139